SOT23-10封装定制
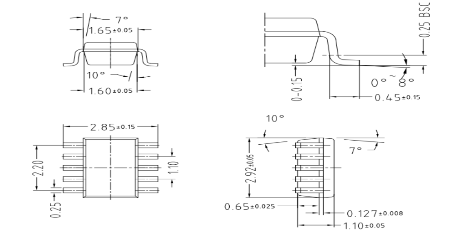
SOT23-10封装具有10个引脚,相比于SOP-10,可以在较小的封装空间内实现更高的集成度,SOT23-10封装是一种小型、高密度、通用的封装,宇凡微提供多种封装定制,欢迎咨询本站客服。
全国热线 00852-66836817

SOT23-10封装具有10个引脚,相比于SOP-10,可以在较小的封装空间内实现更高的集成度,SOT23-10封装是一种小型、高密度、通用的封装,宇凡微提供多种封装定制,欢迎咨询本站客服。
全国热线 00852-66836817

Copyright © 2022-2023 Million Tek Limited