NY8B062M单片机
NY8B062M是以EPROM作为存储器的8位单片机,专为家电或量测等等的I/O应用设计。采用CMOS制程并同时提供客户低成本、高性能、及高性价比等显著优势。
全国热线 00852-66836817

NY8B062M是以EPROM作为存储器的8位单片机,专为家电或量测等等的I/O应用设计。采用CMOS制程并同时提供客户低成本、高性能、及高性价比等显著优势。NY8B062M核心建立在RISC精简指令集架构可以很容易地做编程和控制,共有55条指令。除了少数指令需要两个指令时钟,大多数指令都是一个指令时钟能完成,可以让用户轻松地以过程控制完成不同的应用。因此非常适合各种中低记忆容量但又复杂的应用。NY8B062M内建高精度十一加一通道12位ADC模数转换器,与高精度电压比较器,足以应付各种模拟接口的侦测与量测。
在I/O的资源方面,NY8B062M有14根弹性的双向I/O脚,每个I/O脚都有单独的寄存器控制为输入或输出脚。而且每一个I/O脚位都能通过控制相关的寄存器达成如上拉或下拉电阻或开漏(Open-Drain)输出。此外针对红外线摇控的产品方面,NY8B062M内置了可选择频率的红外载波发射口。
NY8B062M有四组定时器,可用系统时钟当作一般的计时应用或者从外部讯号触发来计数。另外NY8B062M提供3组10位的PWM输出,3组蜂鸣器输出,可用来驱动马达、LED、或蜂鸣器等等。
NY8B062M采用双时钟机制,高速振荡时钟或者低速振荡时钟都由内部RC振荡或外部晶振输入。在双时钟机制下,NY8B062M可选择多种工作模式如正常模式(Normal)、慢速模式(Slow mode)、待机模式(Standby mode)与睡眠模式(Halt mode),可节省电力消耗,延长电池寿命。并且单片机在使用内部RC高速振荡时,低速振荡可以同时使用外部精准的晶振计时。可以维持高速处理同时又能精准计算真实时间。
在省电的模式下,如待机模式(Standby mode)与睡眠模式(Halt mode)中,有多个中断源可以触发来唤醒NY8B062M进入正常操作模式(Normal mode)或慢速模式(Slow mode)来处理突发事件。
功能特点Functional characteristics
寬廣的工作電壓:(指令週期為4個CPU clock,亦即4T模式)
2.0V ~ 5.5V @系統頻率≦8MHz。
2.2V ~ 5.5V @系統頻率>8MHz。宽广的工作温度:-40°C ~ 85°C;2Kx14位的程序存储器空间。128字节的通用数据存储器空间。
14根可分别单独控制输入输出方向的I/O脚(GPIO)、PA[7:0]、PB[5:0]。
PA[5,3:0]及PB[3:0]可选择输入时使用内部下拉电阻。 PA[7:0]及PB[5:0]可选择输入时使用内部上拉电阻。
PB[5:0]可选择内部上拉电阻或开漏输出(Open-Drain)。
PA[5]可选择当作输入或开漏输出(Open-Drain)。所有I/O脚输出可选择一般灌电流(Normal Sink Current)或大灌电流(Large Sink Current),除PA5外。8级深度硬件堆栈(Stack)。存取数据有直接或间接寻址模式
一组8位上数定时器(Timer0)包含可编程的预分频器。三组10位下数定时器(Timer1、2、3)可选自动重载或连续下数计时。
三个10位的脉冲宽度调变输出(PWM1、2、3)。
三个蜂鸣器输出(BZ1、2、3)38/57KHz红外线载波(IR)频率可供选择,同时载波之极性也可以通过寄存器选择。内置准确的低电压侦测(LVD)。内置准确的电压比较器(Voltage Comparator)。
内置上电复位电路(POR)。 内置低压复位功能(LVR)。
内置看门狗计时(WDT),可由配置字节(Configuration Word)控制开关。内置电阻/频率转换器(RFC)功能。
双时钟机制,系统时钟可以随时切换高速振荡或者低速振荡。高速振荡时钟: E_HXT(超过6MHz外部高速晶振)
E_XT(455K~6MHz外部晶振)
I_HRC(1~20MHz內部高速RC振荡)低速振荡时钟: E_LXT(32KHz外部低速晶振)
I_LRC(內部32KHz低速RC振荡)四种工作模式可随系统需求调整电流消耗:正常模式(Normal mode)、慢速模式(Slow mode)、待机模式(Standby mode)与睡眠模式(Halt mode)。
NY8B062M十一种硬件中断;NY8B062M在待机模式(Standby mode)下的十一种唤醒中断
NY8B062M在睡眠模式(Halt mode)下的四种唤醒中断:
WDT中断。 PA/PB输入状态改变中断。 两组外部中断。
功能框图Functional block diagram

引脚排列图Pin layout
NY8062D引脚图



引脚说明Pin description
NY8B062M引脚说明


封装尺寸Package siz
8引脚SOP(150毫寸)

14引脚SOP(150毫寸)

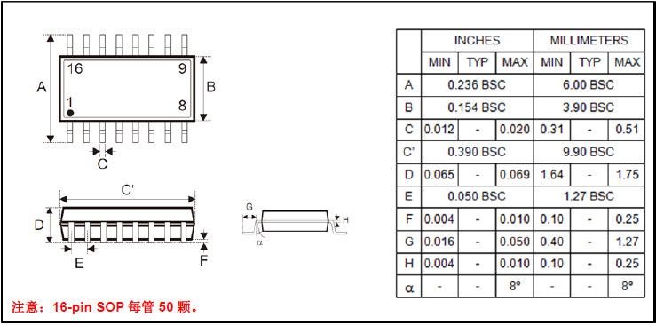
16引脚SOP(150毫寸)


