NY8A051D单片机
NY8A051D 是以 EPROM 作为存储器的 8 位单片机,专为多 IO 产品的应用而设计,例如遥控器、风扇/灯光控制或是玩具周边等等。采用 CMOS 制程并同时提供客户低成本、高性能等优势。NY8A051D 核心建立在 RISC 精简指令集架构可以很容易地做编程和控制,共有 55 条指令。除了少数指令需要两个指令时钟,大多数指令都是一个指令时钟能完成,可以让用户轻松地以程序控制完成不同的应用。因此非常适合各种中低记忆容量但又复杂的应用。
全国热线 00852-66836817
产品概述PRODUCT OVERVIEW

NY8A051D 是以 EPROM 作为存储器的 8 位单片机,专为多 IO 产品的应用而设计,例如遥控器、风扇/灯光控制或是玩具周边等等。采用 CMOS 制程并同时提供客户低成本、高性能等优势。NY8A051D 核心建立在 RISC 精简指令集架构可以很容易地做编程和控制,共有55条指令。除了少数指令需要两个指令时钟,大多数指令都是一个指令时钟能完成,可以让用户轻松地以程序控制完成不同的应用。因此非常适合各种中低记忆容量但又复杂的应用。
在 I/O 的资源方面,NY8A051D 有 6 根弹性的双向 I/O 脚,每个 I/O 脚都有单独的寄存器控制为输入或输出脚。而且每一个 I/O 脚位都能相关的寄存器达成如上拉或下拉电阻或开漏(Open-Drain)输出。此外针对红外线摇控的产品方面,NY8A051D 内置了可选择频率的红外载波发射口。
NY8A051D 有两组定时器,可用系统时钟当作一般的计时应用或者从外部讯号触发来计数。另外 NY8A051D 提供一组8位的PWM输出或者蜂鸣器输出,可用来驱动马达、LED、或蜂鸣器等等。
NY8A051D 采用双时钟机制,高速振荡时钟或者低速振荡时钟都由内部 RC 振荡输入。在双时钟机制下,NY8A051D可选择多种工作模式如正常模式(Normal)、慢速模式(Slow mode)、待机模式(Standby mode)与睡眠模式(Haltmode),可节省电力消耗,延长电池寿命。
在省电的模式下,如待机模式(Standby mode)与睡眠模式(Halt mode)中,有多个中断源可以触发来唤醒 NY8A051D进入正常操作模式(Normal mode)或慢速模式(Slow mode)来处理突发事件。
功能特点FUNCTIONAL CHARACTERISTICS
宽广的工作电压:(指令时钟为 4 个CPU时钟,亦即 4T模式);2.0V ~ 5.5V @系统时钟≦8MHz;2.2V ~ 5.5V @系统时钟>8MHz。
宽广的工作温度:-40°C ~ 85°C;1Kx14 位的程序存储器空间;48字节的通用数据寄存器空间。
6 根可分别单独控制输入输出方向的I/O脚(GPIO)、PB[5:0];PB[3:0]可选择输入时使用内部下拉电阻
PB[5:4]及PB[2:0]可选择内部上拉电阻或开漏输出(Open-Drain);PB[3]可选择当作输入或开漏输出(Open-Drain)
8级深度硬件堆栈(Stack);存取数据有直接或间接寻址模式
一组8位上数定时器(Timer0)包含可编程的预分频器
一组8位下数定时器(Timer1)可选自动重载与连续下数计时
一个8位的脉冲宽度调变输出(PWM1);一个蜂鸣器输出(BZ1)
38/57KHz红外线载波(IR)频率可供选择,同时载波之极性也可以通过寄存器选择
内置上电复位电路(POR);内置低压复位功能(LVR)
内置看门狗计时(WDT),可由配置字节(Configuration Word)控制开关;
双时钟机制,系统时钟可以随时切换高速振荡或者低速振荡。高速振荡时钟:I_HRC (内部 1~20MHz高速RC振荡);低速振荡时钟:I_LRC (内部 32KHz低速RC振荡)
四种工作模式可随系统需求调整电流消耗:正常模式(Normal mode)、慢速模式(Slow mode)、待机模式(Standby mode)与睡眠模式(Halt mode)
五种硬件中断:Timer0 上溢中断、Timer1 下溢中断、WDT中断、PB输入状态改变中断、外部中断
NY8A051D在待机模式(Standby mode)下的五种唤醒中断:Timer0 上溢中断、Timer1 下溢中断、WDT中断、PB输入状态改变中断、外部中断
NY8A051D在睡眠模式(Halt mode)下的三种唤醒中断:WDT中断、PB输入状态改变中断、外部中断
功能框图FUNCTIONAL BLOCK DIAGRAM

引脚排列图PIN LAYOUT
引脚图

引脚说明PIN DESCRIPTION
NY8A051D引脚说明

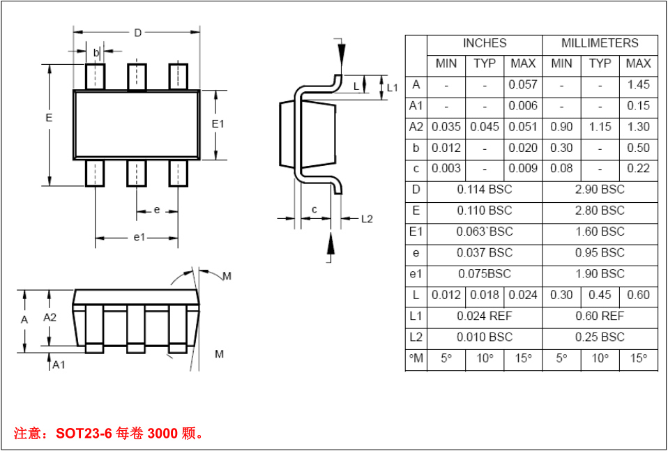
封装尺寸PACKAGE SIZE
6引脚SOT23-6(63毫寸)

8引脚SOP(150毫寸)

8引脚DIP(300毫寸 )


