喷雾式小风扇开发方案
功能说明 / FUNCTION DESCRIPTION
喷雾式小风扇功能SPRAY TYPE SMALL FAN FUNCTION
喷雾式小风扇,是采用 Million Tek Limited 单片机NY8A051F型号芯片开发而成,它的水雾通过超音波高速震荡技术切割形成;产品通过两个按键进行控制吹风/喷雾,相互之间不会有影响,可以提高用户的使用需求,自由操控。 本产品 开发方案 为 Million Tek Limited 提供的深圳单片机开发。

产品构成 / PRODUCT COMPOSITION
01
出风/出雾控制按钮
02
雾化片
03
小蓄电池
04
充电接口
结构说明 / STRUCTURE ELUCIDATION
喷雾式小风扇PCB结构说明
1、边充边用功能:充电过程,支持使用风扇、喷雾。
2、开机方式:按键触碰开机。
3、风扇切换:短按K1开启风扇,再短按关闭。
4、喷雾切换:短按K2开启喷雾(1分钟后自动关闭喷雾), 再短按关闭喷雾。
5、喷雾指示:风扇切换不影响喷雾状态;喷雾切换不影响 风扇状态。
6、风扇与喷雾:互不影响。
7、雾化片参数:108kHz/45%
8、短路保护:风扇短路,断开8205,断开输出。
9、低电保护:工作状态连续2秒检测电池电压低于3.0V,自动关闭。
10、待机电流:低于5uA。
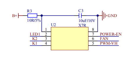
NY8A051F脚位和功能说明 / FUNCTION DESCRIPTION
SOP8封装

案例开发部分线路图 / CIRCUIT DIAGRAM OF CASE DEVELOPMENT

合作说明 / COOPERATION STATEMENT

01可根据客户PCB脚位和模式要求进行程序定制。
02按键可选择高有效或低有效。
03可提供通用PCB文件。
04可根据客户需求设计原理图。
